SMD SPXO OSCILLATOR 5.0 x 3.2 mm 1.0 - 160.0 MHz
- High reliability for low cost
- Wide frequency stability range from ±20 to ±100 ppm
- Wide supply voltage range of 1.8, 2.5, 2.8, 3.3 and 5.0 VDC
- High stability, low jitter, low power consumption
- Extended operable temperature range -40°C to +105°C
Product Name
SPXO
Package
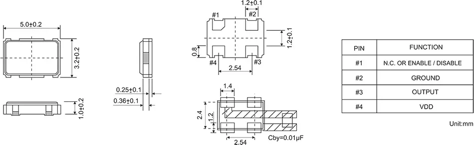
SMD Ceramic/4pad
Dimensions in mm (W x D x H)
5.0 x 3.2 x 1.2 mm
Frequency Range
1.00 - 160.00 MHz
RoHS
Lead free and RoHS 2 compliant
DELIVERY FORM
TAPE & REEL
STORAGE TEMPERATURE RANGE
-55/+125°C
OPERATING TEMPERATURE RANGE
-10/+60°C ~ -40/+105°C
FREQUENCY STABILITY
0/+70°C ~ -10/+60°C = ±20~±100 ppm
-20/+70°C = ±25~±100 ppm
-40/+85°C ~ -40/+105°C = ±50~±100 ppm
-40/+125°C = ±100 ppmFREQUENCY RANGE VS SUPPLY VOLTAGE
1.8 VDC = 1.0 - 160.0 MHz
2.5 VDC = 1.0 - 160.0 MHz
2.8 VDC = 1.0 - 160.0 MHz
3.3 VDC = 1.0 - 160.0 MHz
5.0 VDC = 1.0 - 160.0 MHz


